

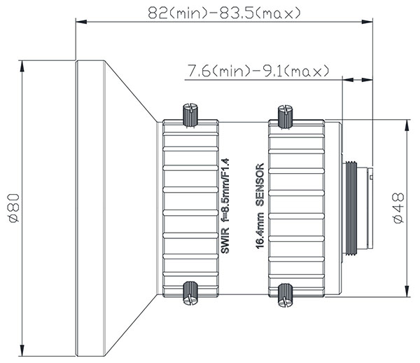
规格:1″C型 f=8.5mm F1.4
宽光谱红外镀膜900-1700nm
多层镀膜技术,透过率超过80%
低畸变、高对比度、边缘亮度高
紧凑型结构,抗震性能好
适用工业检测、分拣和夜间监控
|
型号Model |
SW0814MP5IR |
|
|
像机尺寸Image Size |
1-inch |
|
|
焦距Focal length |
8.5mm |
|
|
光圈范围F No. |
F1.4-22 |
|
|
最短物距M.O.D(m) |
0.3-Inf. |
|
|
控制方式Operation |
Iris |
Manual手动调整 |
|
Focus |
Manual手动调整 |
|
|
视场角Angle of View(D x H x V) |
1" Type |
88.82°×76.07°×60.28° |
|
2/3"Type |
65.84°×54.31°×41.68° |
|
|
1/2"Type |
51.34°×41.80°×31.79° |
|
|
畸变Distortion |
1" Type |
-3.61% |
|
后焦距Back focal length |
11.14mm |
|
|
法兰距Flange FL |
17.526mm |
|
|
接口Mount |
C-Mount |
|
|
近摄视野Object Dimension (mm) WD=200mm |
254.76×188.043mm |
|
|
外形尺寸Dimension |
Ф80x83.5mm |
|
|
重量Weight |
380.0g |
|
|
光学波长optical wavelength |
900~1700nm |
|
|
滤镜尺寸Filter Thread |
M77x 0.75 |
|
|
工作温度Working Temperature |
-20ºC ~ +60ºC |
|
500万像素焦距12mm1英寸C口SWIR近红外工业镜头
500万像素焦距16mm1英寸C口SWIR近红外工业镜头
500万像素焦距25mm1英寸C口SWIR近红外工业镜头
500万像素焦距35mm1英寸C口SWIR近红外工业镜头
500万像素焦距50mm1英寸C口SWIR近红外工业镜头
500万像素焦距100mm1英寸C口SWIR近红外工业镜头
我们为您提供高品质的工业镜头 中联科创 电警单元镜头 线扫镜头 低畸变镜头 监控镜头 工业相机镜头 远心镜头 高分辨率镜头 道路监控镜头 缺陷检测镜头 智能交通镜头 机器视觉镜头!
版权所有 @ 广州智赛电子科技有限公司 2006-2026.
粤ICP备11077438号-5