

规格:1/1.7″C型50mm F2.8
多层镀膜,兼容可见光和红外光
1200万像素高清晰度画面
低物距、低畸变、对比度好
抗震结构, 高低温稳定性强
体积小适用于工业检测,机器视觉
|
1200万像素50mm低畸变镜头C Mount |
物距Working Distance |
倍率Magnification |
视野1/1.7"Field of View(7.6*5.7mm) |
|||
|
型号Model |
LM5028MP12 |
mm |
X |
H |
V |
|
|
像机尺寸Image Size |
1/1.7-inch(Φ9.5) |
1000 |
0.0517X |
146.73 |
110.09 |
|
|
焦距Focal length |
50mm |
900 |
0.0576X |
131.94 |
98.99 |
|
|
光圈范围F No. |
F2.8-16 |
800 |
0.0648X |
117.14 |
87.88 |
|
|
最短物距M.O.D(m) |
0.25-Inf. |
700 |
0.0742x |
102.32 |
76.75 |
|
|
控制方式Operation |
Iris |
Manual手动调整 |
650 |
0.0800X |
94.90 |
71.18 |
|
Focus |
Manual手动调整 |
600 |
0.0869X |
87.46 |
65.61 |
|
|
视场角 (D*H*V) Angle of View |
1/1.7" |
10.40°×8.33°×6.26° |
550 |
0.0949X |
80.02 |
60.02 |
|
畸变Distortion |
<0.01% |
500 |
0.1047X |
72.56 |
54.42 |
|
|
光学后焦BFL |
15.76~28.38mm |
450 |
0.1168X |
65.07 |
48.80 |
|
|
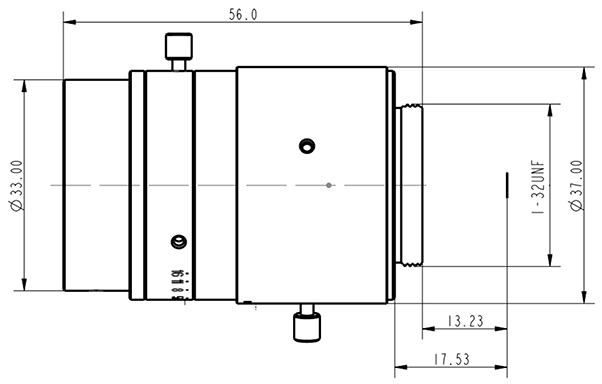
法兰后焦距Flange BFL |
17.526mm |
400 |
0.1320X |
57.56 |
43.17 |
|
|
接口Mount |
C-Mount |
350 |
0.1520X |
50.01 |
37.50 |
|
|
最大主光线夹角CRA |
4.06° |
300 |
0.1793X |
42.40 |
31.79 |
|
|
外形尺寸Dimension |
Φ33×56mm |
250 |
0.2192X |
34.70 |
26.02 |
|
|
重量Weight |
107.5g |
200 |
/ |
/ |
/ |
|
|
滤镜尺寸Filter Thread |
M30.5xP0.5 |
150 |
/ |
/ |
/ |
|
|
工作温度Working Temperature |
-20ºC ~ +60ºC |
100 |
/ |
/ |
/ |
|
低物距1200万高清1/1.7"6mmC口高分辨率工业镜头
低物距1200万高清1/1.7"8mmC口高分辨率工业镜头
低物距1200万高清1/1.7"12mmC口高分辨率工业镜头
低物距1200万高清1/1.7"16mmC口高分辨率工业镜头
低物距1200万高清1/1.7"25mmC口高分辨率工业镜头
低物距1200万高清1/1.7"30mmC口高分辨率工业镜头
低物距1200万高清1/1.7"35mmC口高分辨率工业镜头
低物距1200万高清1/1.7"40mmC口高分辨率工业镜头
我们为您提供高品质的工业镜头 中联科创 电警单元镜头 线扫镜头 低畸变镜头 监控镜头 工业相机镜头 远心镜头 高分辨率镜头 道路监控镜头 缺陷检测镜头 智能交通镜头 机器视觉镜头!
版权所有 @ 广州智赛电子科技有限公司 2006-2026.
粤ICP备11077438号-5